Как подключить реле контроля фаз?
Современные элементы защиты электросети функционируют в полностью автоматическом режиме, они способны свести к нулю вероятность возникновения аварийной ситуации на электросети к нулю.
Современные элементы защиты электросети функционируют в полностью автоматическом режиме, они способны свести к нулю вероятность возникновения аварийной ситуации на электросети к нулю. Такими возможностями обладает реле контроля фаз, которое используется для защиты трехфазного оборудования (станков, электродвигателей и других устройств). С его помощью можно защититься от короткого замыкания, поражения током, скачков напряжения и других нештатных ситуаций, а также обеспечить максимально долгий срок службы электроустановок, но для этого нужно правильно установить устройство. Сделать это можно несколькими способами – на din-рейку или на плоскую поверхность (в том числе на стену).
Процесс монтажа устройства максимально упрощен за счет вынесения клемника на лицевую панель. Клемник представляет собой стандартные зажимы для подключения медных или алюминиевых проводов с площадью сечения токопроводящей жилы 2,5 мм2 (для подключения провода в клемму нужно удалить 1 см изоляции). На лицевой панели имеются еще и светодиодные индикаторы, благодаря которым можно определить наличие или отсутствие питающего напряжения, что значительно упрощает процесс подключения.

Особенности подключения
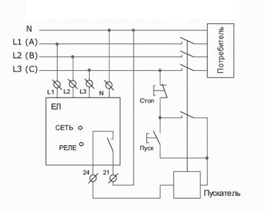
Для подключения токопроводящих жил на лицевой панели предусмотрены 3 клеммы – L1, L2 и L3. Независимо от модификации реле эти клеммы не предназначены для подключения нулевой жилы. На корпусе устройства можно найти еще одну контактную группу из 6 клемм, они нужны для подключения к цепям управления. В электроразводке высоковольтного оборудования для этих целей предназначен отдельный жгут, в котором собрано столько же проводов. Часть проводов обеспечивает управление цепью катушки магнитного пускателя, а другая – коммутацией подключенного к линии оборудования. Стоит отметить, что технология подключения различных модификаций реле может несколько отличаться, поэтому при проведении монтажных работ нужно руководствоваться рекомендациями из сопроводительной документации.
Особенности настройки
Настройка реле контроля фаз зависит от варианта исполнения. Например, в самых простых модификациях на лицевой панели предусмотрены 1-2 регулятора. Другое дело – модели с расширенными настройками, которые еще называют мультифункциональными. У них имеется специальный блок микропереключателей, который находится на печатной плате, расположенной под корпусом реле.
Процесс настройки простейших и «продвинутых» моделей заключается в поочередной настройке каждого регулировочного элемента посредством вращения ручек управления и одновременного нажатия регулятора. При введении настроек нужно учитывать шаг, у большинства моделей этот параметр составляет 0,5 вольт. Если необходимо мониторить линии питания нагрузки, то регулятор чувствительности напряжения устанавливается в положение, в котором наблюдается переход от рабочего режима устройства к аварийному с учетом небольшого допуска в сторону номинала.
Правила и особенности настройки защитного оборудования также приведены в сопроводительной документации, но при отсутствии опыта выполнения подобных работ целесообразнее обратиться к специалистам. Профессиональные электрики выполнят установку и настройку реле контроля фаз с учетом рекомендаций производителя защитного оборудования и правил техники безопасности. После завершения установки и настройки можно будет не беспокоиться о том, что скачки напряжения в электросети или короткое замыкание приведут к выходу из строя дорогостоящего оборудования или травмам сотрудников компании.
В настройках компонента не выбран ни один тип комментариев
